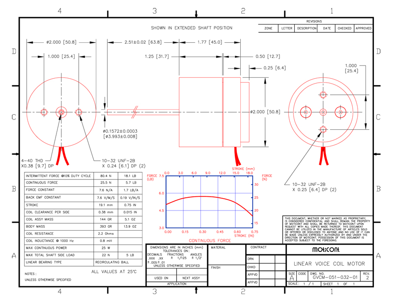
Vacuum Compatible Linear Motor with Internal Shaft & Bearing, GVCM-051-032-01VAC
Continuous
Force: 5.7 lb (25.5 N), Stroke: 0.75 in (19.1 mm)
|
|
|
|
|
| Housing Outside Diameter, 2.000 inch, 50.8 mm | ||||||||
|
||||||||
| Model # | Stroke | Continuous Force | Intermittent Force @ 10% Duty Cycle | Housing Length | ||||
| GVCM-051-032-01VAC | 0.75 | inch | 5.7 | lb | 18.1 | lb | 1.25 | inch |
Datasheet in PDF ![]() |
19.1 | mm | 25.5 | N | 80.4 | N | 31.7 | mm |
Drawing quick view
![]() |
Download 3D STEP | |||||||
| Share this page: |
| Tweet |























