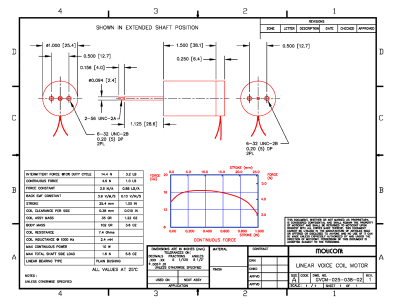
Vacuum Compatible Linear Motor with Internal Shaft & Bearing, GVCM-025-038-02VAC
Continuous Force: 1.0 lb (4.6 N), Stroke: 1.00 in (25.4 mm)
|
|
|
|
|
| Housing Outside Diameter, 1.000 inch, 25.4 mm | ||||||||
|
||||||||
| Model # | Stroke | Continuous Force | Intermittent Force @ 10% Duty Cycle | Housing Length | ||||
| GVCM-025-038-02VAC | 1.000 | inch | 1.0 | lb | 3.2 | lb | 1.500 | inch |
Datasheet in PDF ![]() |
25.4 | mm | 4.6 | N | 14.4 | N | 38.1 | mm |
Drawing quick view
![]() |
Download 3D STEP | |||||||
| Share this page: |
| Tweet |






















